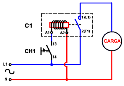
È dotato di un insieme di contatti elettrici fissi e mobili che si aprono o si chiudono a seconda dell'azione magnetica di una bobina su un'anima mobile in cui i contatti mobili sono fissati.
Per eccitare la bobina del contattore genera un campo magnetico in grado di superare la forza della molla e attira l'anima mobile facendo aprire i contatti normalmente chiusi e chiudendo i contatti normalmente aperti.
